
倘若您有什么疑問或是對我公司有任何
的意見和建議都可通過:
的意見和建議都可通過:
公司名稱: 鞏義市西村鎮華豐給排水材料廠
公司地址: 河南省鞏義市西村開發區
電話: 0371-64033589
手機: 18638168566,13683712868
13783416000(技術)
聯系人: 王先生,位女士
郵政編碼: 451200
E-MAIL: 1696257948@qq.com
網址:http://www.fepj.cn/
網址:http://www.fepj.cn/
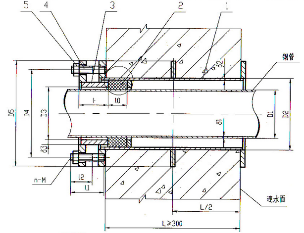
加長加翼環柔性防水套管
標簽:該產品可按照客戶要求訂做,如需訂做請向客服提供您的參數表
華豐竭誠為您服務,熱線電話0371-64033589


加長加翼環柔性防水套管的分類
加長加翼環柔性防水套管分為剛性和柔性兩種。安裝完畢后允許有變形量的---柔性;不允許有變形量的--剛性。主要是使用的地方不一樣,柔性防水套管主要用在人防墻,水池等要求很高的地方,剛性防水套管一般用在地下室等管道需穿管道地位置。
加長加翼環柔性防水套管和加長加翼環剛性防水套管的區別
加長加翼環柔性防水套管是鋼管外加翼環(鋼板做的環形套在鋼管上),裝于墻內(多為混凝土墻),用于一般管道穿墻,利于墻體的防水; 柔性防水套管除了外部翼環,內部還有檔圈之類的,法蘭內絲,有成套賣的,也可自己加工,用于有減震需要的管路,如和水泵連接的管道穿墻時。也就是說,如果考慮墻體兩面的防水性能,就要選用柔性防水套管;如果僅僅是考慮管道的穿墻,而不考慮穿墻后,墻體兩面的防水性能以及管道的位移變形,就可以選用剛性防水套管。
加長加翼環柔性防水套管說明:
1 、加長加翼環柔性防水套管,適用于鑄鐵管,也適用于非金屬管,但應根據采用管材的管壁厚度修正有關尺寸。
3 、翼環及鋼套管加工完成后,在其外壁均刷底漆一遍(底漆包括樟丹或冷底子油)。
4 、套管尺寸表內所列之材料重量為鋼套管(套管長度 L 值按 200mm 計算)及翼環之重量。鋼套管及翼環用 A3 材料制作, T42 焊條焊接。
5 、套管穿墻處之墻壁,如遇非混凝土墻壁時應改用混凝土墻壁,其澆注混凝土范圍, Ⅱ型套管應比翼環直徑( D4 )大 200mm ,而且必須將套管一次澆固于墻內。套管內的填料應緊密搗實。
6 、防水套管處的混凝土墻厚,應不小于 200mm ,否則應使墻壁一邊或兩邊加厚,加厚部分的直徑,*小應比翼環直徑( D4 )大 200mm .
不銹鋼防水套管的材質:316L不銹鋼和304不銹鋼
更多產品詳情可來電咨詢
聯系人:王先生 13783416000 魏女士 13683712868
上一篇:兩側防護柔性密閉防護套管
下一篇:雙密封柔性防水套管
版權所有:華豐管道 地址:河南省鞏義市西村開發區 服務熱線:0371-64033589 管理入口E-MAIL: 1696257948@qq.com 手機: 18638168566,13783416000
網站備案/許可證號: 豫ICP備11026537號-5
豫公網安備 41910102000259號 技術支持:鞏義開啟網絡
本網站支持新廣告法,為不影響客戶瀏覽,頁面區域用詞正在排查修改,本店所有頁面絕對化用詞和功能性用詞在此聲明前全部失效,不接受不妥協任何形式的絕對化用詞和功能性用詞賠付,希望各位消費者理解,職業打假人高抬貴手。 網站備案/許可證號: 豫ICP備11026537號-5
豫公網安備 41910102000259號 技術支持:鞏義開啟網絡
